You are viewing an older revision! See the latest version
PCA9635 I2C IO Expander
This is a 16-bit I2C-bus LED driver and as a result is a useful bus expander. Only 2 bus lines are needed to interface the mbed with the PCA9635, including an additional enable pin. The advantage of using I2C it that many PCA9635 chips can be connected to the same bus lines in parallel and using an addressing system can be selected individually.
Example Code¶
N.B.
Always call init() on start up to clear the registers before operations begin.
#include "mbed.h"
#include "PCA9635.h"
DigitalOut enable(p26);
PCA9635 my_driver(p28, p27);
int main()
{
//REMEMBER enable
enable = 0;
//N.B. you MUST declare init(int address), before calling any PCA9635 functions
//turns each pin on and then off
my_driver.init(0x02);
short illuminate = 1;
for(char j = 0; j < 16; j++){
my_driver.bus(illuminate);
wait(0.7);
op = (op << 1); //illuminate LEDs with port bit high
}
//ramp brightness up three times faster than down, repeatedly
while(1)
{
for(char valueUp=0; valueUp<0xFF; (valueUp = valueUp + 3))
{
my_driver.brightness(ALL, valueUp);
}
for(char valueD=0; valueD<0xFF; valueD++)
{
my_driver.brightness(ALL, (0xFF - valueD));
wait(0.007);
}
}
}
Library¶
Import libraryPCA9635
PCA9635 16-bit I2C-bus LED driver
Pinout¶
A pinout diagram is provided here:

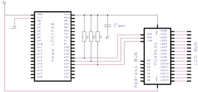
Schematic¶
<warning title="N.B.">> 1. Remember to set the address of the PCA9635 by tying the relevant address pins high/low. 2. Refer to the PCA9635 datasheet before connecting the LEDs <</warning>>

