Important update: Arm Announces End of Life Timeline for Mbed. This site will be archived in July 2026. Read the full announcement.
You are viewing an older revision! See the latest version
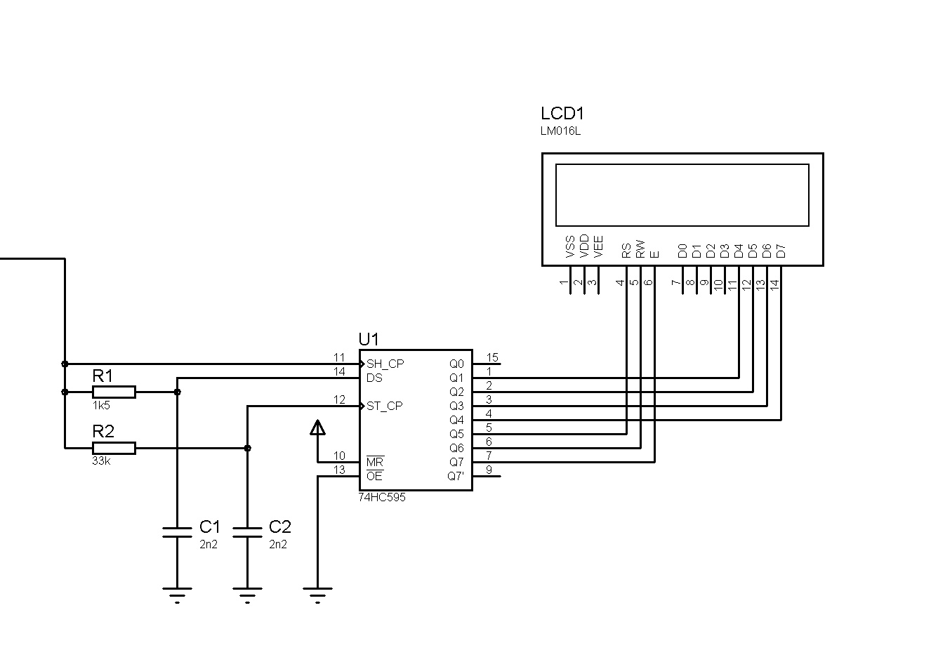
1 wire shifting 2x16 LCD
Resource http://www.romanblack.com/shift1.htm
Code http://mbed.org/users/ahmetunal/libraries/1wire_lcd/lmzs0e