Important changes to repositories hosted on mbed.com
Mbed hosted mercurial repositories are deprecated and are due to be permanently deleted in July 2026.
To keep a copy of this software download the repository Zip archive or clone locally using Mercurial.
It is also possible to export all your personal repositories from the account settings page.
Dependents: Lab7_wse Lab7_wse_student mbed_WSEPRJSBC_EncoderTest mbed_WSEPRJSBC_ADC_test ... more
You are viewing an older revision! See the latest version
Homepage
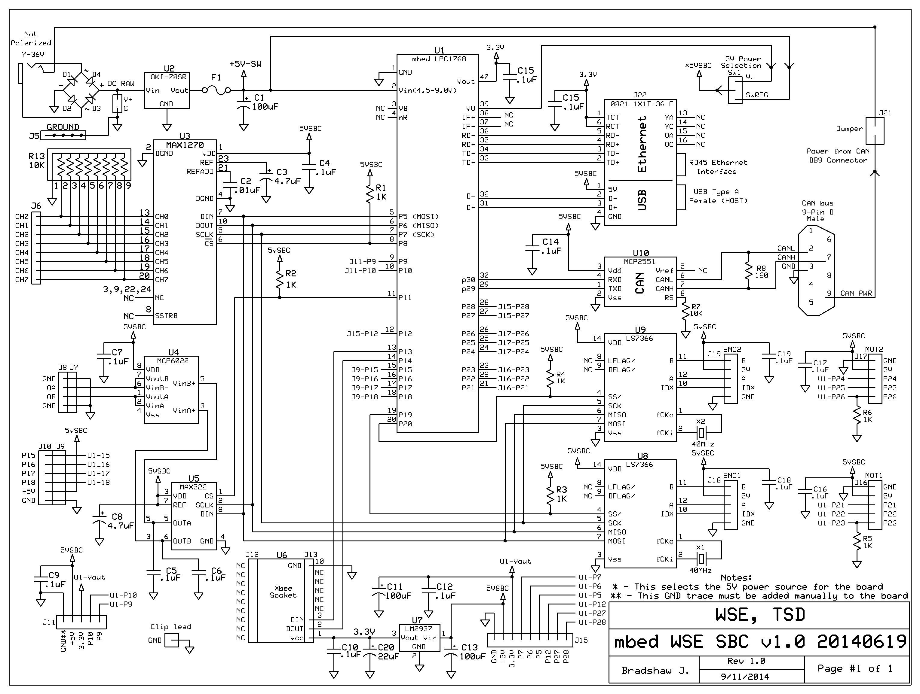
Weapons and Systems Engineering mbed based single board computer¶
Library is bare bones C library function listing for hardware peripheral support. Includes functions for +/-10V 12-bit 8-Channel ADC, 10-bit 2-Channel DAC, motor control/servo ports, and quadrature encoder ports. Board includes physical Ethernet, USB Host, and CAN bus interfaces. Also includes xbee socket and external I/O pins straight to processor for on-board I2C, SPI, ADC, and DAC.¶