GREAT Bike
Gesture-Based Equipped Accessible Tour-de-France Bike
Members: Samuel Greene, Kenneth Page Swanson, Faizan Khan
The GREAT interface enhances the experience of riding a bike! The rider sees a real-time speedometer (using a Hall Effect sensor on the wheel) on a uLCD screen on the handlebars. The rider wears a glove (with an accelerometer and flex sensor) to control blinkers (LEDs) on the back of the bike: left, right, and brake. The GREAT bike can also store previous trip data in an SD card.
Import programgreat-bike-wow
A system to help you ride your bike better than you do right now.
Instructions
Put the glove on your left hand. Power on the GREAT Bike interface in the enclosure in the basket. Start biking! The conventional hand signals for left and right correspond to the appropriate blinkers. Braking the bike turns on the brake light. Check your real-time speed, distance, and time travelled on the uLCD screen!
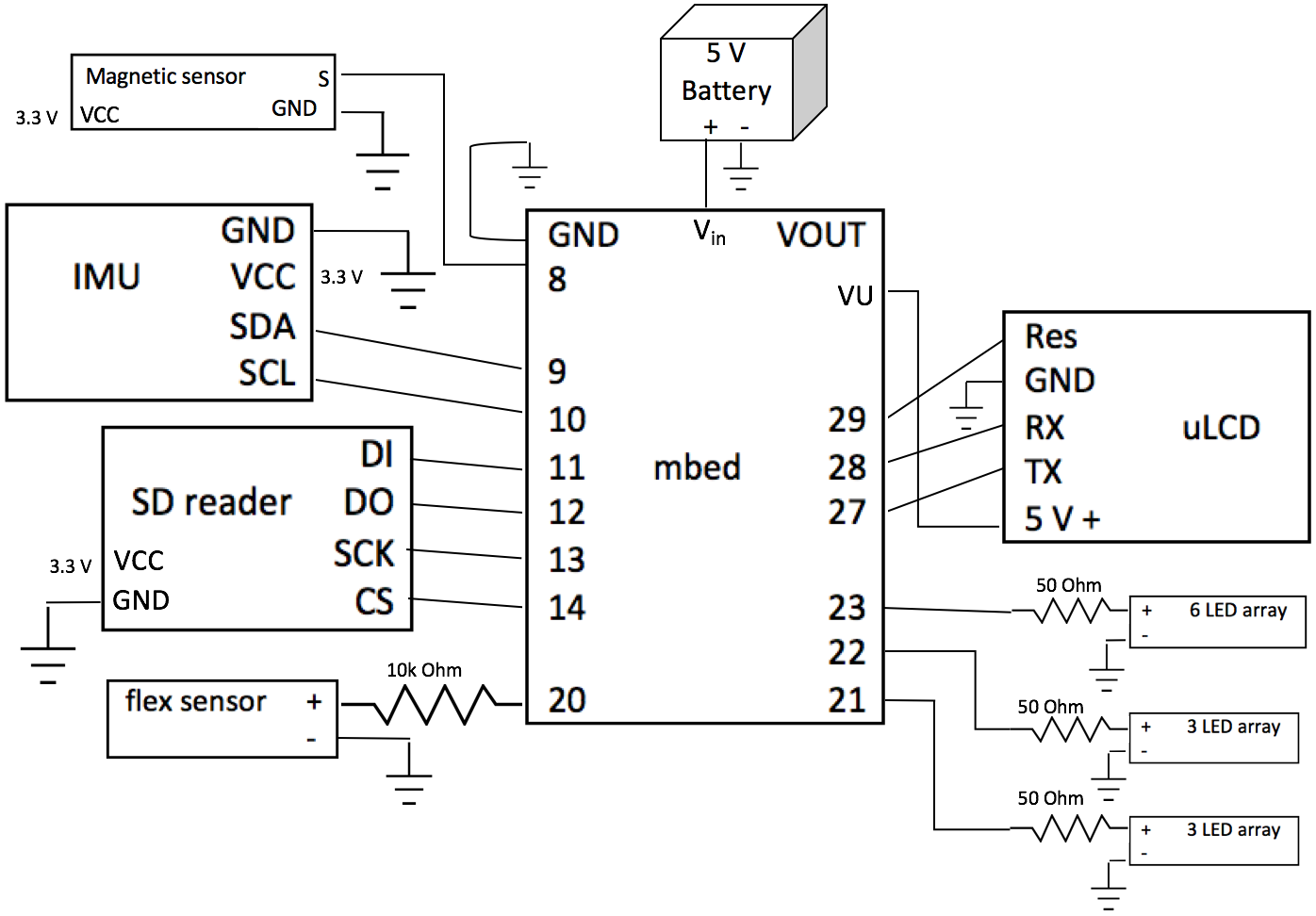
Pinout Diagram
Hall Effect Sensor / Magnetic Sensor

Accelerometer / Flex Sensor Glove

Enclosure

LED Blinkers

uLCD

Demo
Components
- mbed (LPC1768)
- uLCD Display
- IMU on a chip
- Flex sensor
- Magnetic sensor
- LEDs
- microSD reader
Please log in to post comments.
