Component list and documentation

This is a list of the components supplied by the university with links to further information.

mbed NXP LPC 1768 (microprocessor platform) http://developer.mbed.org/platforms/mbed-LPC1768/ /media/uploads/redwez/lpc1768_pins.jpg

mbed application board (plug in expansion shield) http://developer.mbed.org/components/mbed-Application-Board/ /media/uploads/redwez/application_board_isometric_view.jpg /media/uploads/redwez/application_board_pins.jpg

Form factor 55mm x 86mm x 19mm (with mbed)

128x32 Graphics LCD, SPI Interface Newhaven C12832A1Z MOSI:p5 nRESET:p6 SCK:p7 A0:p8

3 Axis +/1 1.5g Accelerometer,I2C Interface Freescale MMA7660 SCL:p27 SDA:p28 Address:0x98

Temperature sensor LM75B SCL:p27 SDA:p28 Address:0x90

5 way Joystick ALPS SKRHADE010 Down:p12 Left:p13 Centre:p14 Up:p15 Right:p16

2 x Potentiometers Iskra PNZ10ZA, 10k Pot 1 (left) :p19 Pot 2 (right):p20

2 x 3.5mm Audio jack (Analog In/Out) CUI Inc SJ-3523-SMT Analog In:p17 Analog Out:p18

2 x Servo motor headers PWM1:p22 PWM2:p21

RGB LED, PWM connected Cree Inc CLV1A-FKB Red:p23 Green:p24 Blue:p25

Speaker, PWM Connected MULTICOMP MCSMT-8030B-3717 p26

USB-B Connector Neltron, 5075ABMR-05-SM1

USB-A Connector MULTICOMP,USB-A-V

RJ45 Ethernet conenctor Pulse Jack, J00-0045NL

1.3mm DC Jack input CLIFF, FC68145S 6v-9v Centre positive

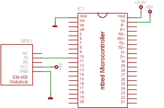
EM406A (GPS module) http://developer.mbed.org/cookbook/GlobalSat-EM-406-GPS-Module /media/uploads/redwez/gps_pins.png

CMPS03 (magnetometer, digital compass) http://developer.mbed.org/cookbook/CMPS03-Digital-Compass#reference /media/uploads/redwez/cmps03_pin_layout.jpg

Duracell PPS2 (portable power supply) output 5v DC 0.6A 3W max. weight 85g


All wikipages