Important changes to forums and questions
All forums and questions are now archived. To start a new conversation or read the latest updates go to forums.mbed.com.
12 years, 8 months ago.
PCA9629
hi
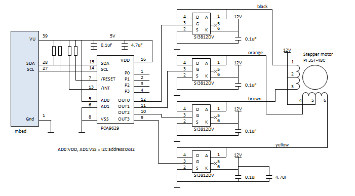
How do i connect stepper motor to the PCA9629 bipolar motor 2 phase and if you have any schematics .
thank you G.Cohen
Question relating to:
2 Answers
12 years, 8 months ago.
You control the current by the hardware design of the motor driver. Do you mean a two coil bipolar motor? Which motor do you want to use and how are you going to drive it?
12 years, 8 months ago.
hi i want to use the PCA9629 stepper motor driver two coil bipolar motor four wire.do i need to use two FETs or four FETs? i am using 670ma stepper motor 1nm full step 180step.
This circuit is a unipolar stepper motor with only low-side drivers. For a bipolar stepper motor you need an H-bridge (low and high side drivers). If you want to build your own driver you need 2 N-FETs and 2 P-FETs which you can connect as pairs to out0 and out1, or individually with 2 inverters to out0-out3. Make sure that the high side fet turns off before the low side fet turns on and vice versa.
posted by 09 Jul 2013